Выключатель 2-клавишный проходной Hager Lumina 2 WL0050, «белый глянцевый»

  • -20%
    • 11499
      Написать отзыв
      287.60грн 230.08грн
    • Расчёт сметы под ключ
      Быстро считаем по фото или проекту в Viber / Telegram. Подбираем оптимальные аналоги без потери качества.

      Оптовая цена с первого заказа
      Партнёрские условия сразу для прорабов, электриков, дизайнеров и монтажников.

      Возврат остатков без проблем
      Принимаем излишки после завершения объекта. Возврат или обмен возможен в течение 14 дней с даты отгрузки товара.

      НДС и полный пакет документов
      Работаем с любой формой оплаты. Полный пакет документов для бухгалтерского учета.

      Официальная гарантия
      Только сертифицированная продукция с заводской гарантией для сдачи объектов.

Описание 2-клавишного проходного выключателя WL0050

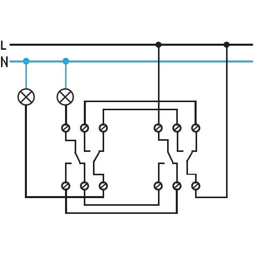
– Двухклавишный переключатель для включения/отключения двух источников освещения с одного, двух и более мест.
– Возможно применять как в проходной схеме, так и вместо обычного 2-клавишного выключателя.
– Клавиши идут в комплекте с механизмом.
Выключатели изготовлены из высококачественного пластика в соответствии с директивами RoHs.
Чтобы повысить степень защиты до IP44, необходимо установить специальный комплект прокладок.
– Цвет: белый глянцевый

Техническое описание 2-клавишного проходного выключателя Lumina WL0050:

Тип: двухклавишный проходной. (на две группы).
Номинальное напряжение: 250 V~ 50/60 Гц
Ток коммутации: 10 Ампер
Сечение проводов для подключения: 1 - 2,5 mm²
Клеммы: самозажимные
Артикул производителя: WL0050
  • Тип установки: Внутренний
  • Степень защиты IP: IP20
  • Серия: Lumina
  • Номинальное напряжение: 230 V
  • Номинальная нагрузка: 10 Ампер
  • Выключатели: Выключатели 2-кл, Переключатели 2-кл, Кнопки 2-кл
  • Цвет: Белый
  • Цвет панели: Белый глянцевый
  • Предложение: Standart
  • Особенности: Общего назначения
  • Механизмы: Проходной выключатель
  • Клавиши: 2
  • Символ – тех. обозначение инсталляция: Универсальный (проходной) 2-канальных переключатель — техническое обозначение (для схем).
  • Тип: Выключатель, Переключатель
  • Вид монтажа: Скрытый
  • Сегмент: Для дома
  • Тип выключателя: Проходной
  • Серия Hager: «Lumina 2»
  • Сертификаты: Сертификация CE — европейское соответствие., Сертификация VDE, Сертификация РСВС — Польша
Задать вопрос Написать отзыв

Просмотренные товары