Универсальный блок защиты асинхронных электродвигателей УБЗ-301 63-630А Novatek (Новатек)
-
-
12540
Расчёт сметы под ключ
Быстро считаем по фото или проекту в Viber / Telegram. Подбираем оптимальные аналоги без потери качества.Оптовая цена с первого заказа
Партнёрские условия сразу для прорабов, электриков, дизайнеров и монтажников.Возврат остатков без проблем
Принимаем излишки после завершения объекта. Возврат или обмен возможен в течение 14 дней с даты отгрузки товара.НДС и полный пакет документов
Работаем с любой формой оплаты. Полный пакет документов для бухгалтерского учета.Официальная гарантия
Только сертифицированная продукция с заводской гарантией для сдачи объектов.
-
Универсальный блок защиты асинхронных электродвигателей УБЗ-301 63-630А Novatek
Краткое описание:
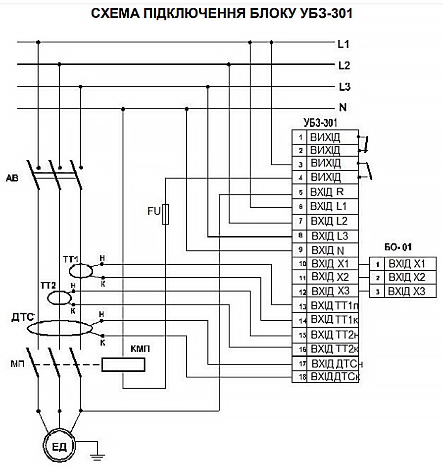
Универсальный блок защиты УБЗ-301 предназначен для защиты асинхронных электродвигателей от различных электрических неисправностей. Он контролирует напряжение, обрыв и перекос фаз, а также обеспечивает задержку включения и отключения. Чаще всего используется в промышленных установках для обеспечения надежной работы электродвигателей.
Реле обеспечивает комплексную защиту электродвигателей от нестабильного сетевого напряжения, механических перегрузок, перекоса фаз, несимметрии фазных токов, минимального рабочего тока, низкого уровня изоляции и токов утечки на «землю». Управление защитой осуществляется через катушку магнитного пускателя (контактора).
Функции защиты
- Защита от скачков сетевого напряжения, обрыва фаз, нарушения чередования и слипания фаз, перекоса фазных/линейных напряжений
- Защита от механических перегрузок:
- по максимальному току с зависимой выдержкой времени (тепловая защита)
- по максимальному току с независимой выдержкой времени
- Защита от несимметричных перегрузок фазных/линейных токов с запретом автоматического повторного включения
- Защита от несимметрии фазных токов без перегрузки (повреждение изоляции двигателя или кабеля)
- Защита при исчезновении момента на валу электродвигателя (минимальный пусковой и рабочий ток)
- Блокировка пуска при низком уровне изоляции
- Защита по токам утечки на «землю»
Технические характеристики
- Номинальное линейное напряжение: 400 V
- Частота сети: 45–55 Гц
- Диапазон номинальных токов: 63–630 А
- Диапазон выставления рабочего тока: ±15 % от номинального
- Диапазон регулировки времени при двухкратной перегрузке: 10–100 с
- Диапазон регулировки порога по напряжению: ±5–20 % от номинала
- Диапазон регулировки перекоса фаз: 5–20 %
- Диапазон регулирования порога по минимальному току (Imin): 0–75 % от номинального
- Диапазон регулирования времени АПВ (Ton): 0–600 с
- Время первого включения нагрузки при Ton=0: 2–3 с
- Время срабатывания по токовой перегрузке: по токово-временной характеристике
- Время срабатывания при авариях по напряжению: 2 с
- Время срабатывания при авариях по току, кроме перегрузки: 2 с
- Фиксированная уставка срабатывания по току утечки: 1,0 А
- Порог контроля сопротивления изоляции: 500 ±20 кОм
- Гистерезис по напряжению (фазн/лин): 10/17 V
- Гистерезис по теплу: 33 % от накопленного при отключении
- Точность определения порога срабатывания по току: 2–3 % от номинала
- Точность определения порога по напряжению: ≤3 V
- Точность определения перекоса фаз: ≤1,5 %
- Напряжение, при котором сохраняется работоспособность: 50–150 % от номинала
- Потребляемая мощность (под нагрузкой): ≤3 VA
- Максимальный коммутируемый ток выходных контактов: 5 А
- Коммутационный ресурс выходных контактов: под нагрузкой 5 А – ≥100 000 циклов; под нагрузкой 1 А – ≥1 000 000 циклов
- Диапазон рабочих температур: -35…+55 °C
- Номинальное напряжение изоляции: 450 V
- Выдерживаемое номинальное импульсное напряжение: 4 kV
- Сечение проводов для подключения: 0,5–2 mm²
- Габариты мм: В-90, Ш-70, Г-65
Преимущества
- Комплексная защита электродвигателей по нескольким параметрам
- Управление катушкой магнитного пускателя
- Большой ресурс коммутационного реле
- Широкий диапазон регулировок параметров
- Гарантия 5 лет
Комплектация
- Реле защиты электродвигателя
- Гарантийный талон
- Технический паспорт
- Упаковка изделия
Основные характеристики
- Устанавливается на DIN-рейку
- Тип устройства: многофункциональное реле защиты
- Номинальный ток: 630 А
- Контроль напряжения и фаз
- Задержка срабатывания: 0-600 секунд
- Интерфейс RS-485
- Подходит для трехфазной сети 380 В
- Гарантия: 5 лет
Где применяется?
УБЗ-301 применяется в промышленных условиях, где требуется надежная защита электродвигателей. Он подходит для использования в производственных цехах, на заводах и в других промышленных объектах, где важна защита от перепадов напряжения и обрывов фаз.
Продукция бренда Novatek (Novatek)
Товары Novatek известны своим высоким качеством и надежностью. Они обеспечивают безопасность и долговечность работы оборудования, что делает их идеальным выбором для промышленных применений.
Приобретайте оригинальные товары Novatek для качественного ремонта и надежной работы вашего оборудования. Официальная поставка гарантирует подлинность продукции. Наши консультанты всегда готовы помочь вам с выбором в чате или по телефону.
- Особенности: Для двигателя, Защита напряжения, Звезда-треугольник, Интерфейс RS-485, Контроль наличия фаз, Контроль напряжения, Контроль обрыва фаз, Контроль перекоса фаз, Контроль последовательности фаз, Контроль слипания фаз, Контроль чередования фаз, Промышленное, С выдержкой времени, Универсальный
- Назначение: Промышленное, Для двигателя
- Тип устройства: Реле контроля напряжения, Реле контроля фаз, Реле защиты электродвигателя
- Конфигурация полюсов: 3+N
- Тип: Многофункциональное реле, Реле защиты двигателя, Реле защиты электродвигателя, Реле контроля напряжения
- Номинальный ток, А: 630
- Сеть: 3 фазы
- Номинальный ток коммутации: 630 А
- Функциональность: Мультифункционал, Задержка включения, Задержка отключения, Контроль наличия фаз, Контроль последовательности фаз, Контроль перекоса фаз, Контроль чередования фаз, Контроль слипания фаз, Контроль залипания фаз
- Основные функции реле: Контроль напряжения, Задержка срабатывания, Контроль обрыва фаз
- Типоразмер: Модульный на din-рейку
- Номинальное напряжение, В: 380
- Диапазон регулировки времени, сек.: 0 сек ÷ 600 сек
- Место установки / подключения: DIN-рейка
- Особенность: Звезда-треугольник, Интерфейс RS-485
- Номинальное напряжение, V: 380


