Реле напряжения ZUBR, артикул - D25 - 1-ф, 25А
-
-
8939
Расчёт сметы под ключ
Быстро считаем по фото или проекту в Viber / Telegram. Подбираем оптимальные аналоги без потери качества.Оптовая цена с первого заказа
Партнёрские условия сразу для прорабов, электриков, дизайнеров и монтажников.Возврат остатков без проблем
Принимаем излишки после завершения объекта. Возврат или обмен возможен в течение 14 дней с даты отгрузки товара.НДС и полный пакет документов
Работаем с любой формой оплаты. Полный пакет документов для бухгалтерского учета.Официальная гарантия
Только сертифицированная продукция с заводской гарантией для сдачи объектов.
-
Описание и характеристики реле ZUBR D25
Реле напряжения ZUBR D25 предназначены для защиты оборудования от чрезмерных колебаний напряжения в сети.
Применяется в однофазных сетях переменного тока (230 В).
При наступлении аварийной ситуации реле отключает нагрузку.
Тип реле: Электромагнитное.
Номинальное напряжение питания: 100–420 В.
Параметры реле Zubr
- Тип монтажа: в щит на дин–рейку.
- Тип сети: однофазная.
- Диапазон регулировки выходного напряжения: 120–280 V.
- Номинальный ток: 25 Ампер (5500 Вт).
Особенности реле Зубр
- Задержка включения до стабилизации напряжения.
- Запоминание аварийного напряжения в энергонезависимой памяти.
- Корпус из негорючего поликарбоната.
Параметры настройки реле Zubr
- Нижний предел напряжения: 120–210 В
- Верхний предел напряжения: 220–280 В
- Номинальная мощность нагрузки: 5 500 ВА (25А)
- Время отключения нагрузки при снижении напряжения: не более 1,2 с
- Время отключения нагрузки при превышении напряжения: 0,01–0,03 с
- Номинальный ток нагрузки: 25 А (макс. 30 А в течение 10 мин.)
- Время задержки включения нагрузки: 3–600 сек.
Настройка реле ZUBR D25
- Для перехода по меню используйте среднюю кнопку.
- Для изменения параметров используйте кнопки «+» и «–». Первое нажатие на кнопки вызывает мигание параметра, следующее – изменение.
- Через 5 секунд после последнего нажатия кнопок происходит возврат к индикации напряжения сети.

Подключение к сети
Схема вариант 1
Упрощенная внутренняя схема реле и схема подключения.

Схема вариант 2
Схема подключения реле напряжения ZUBR D25 с автоматическим выключателем и УЗО.

Схема вариант 3
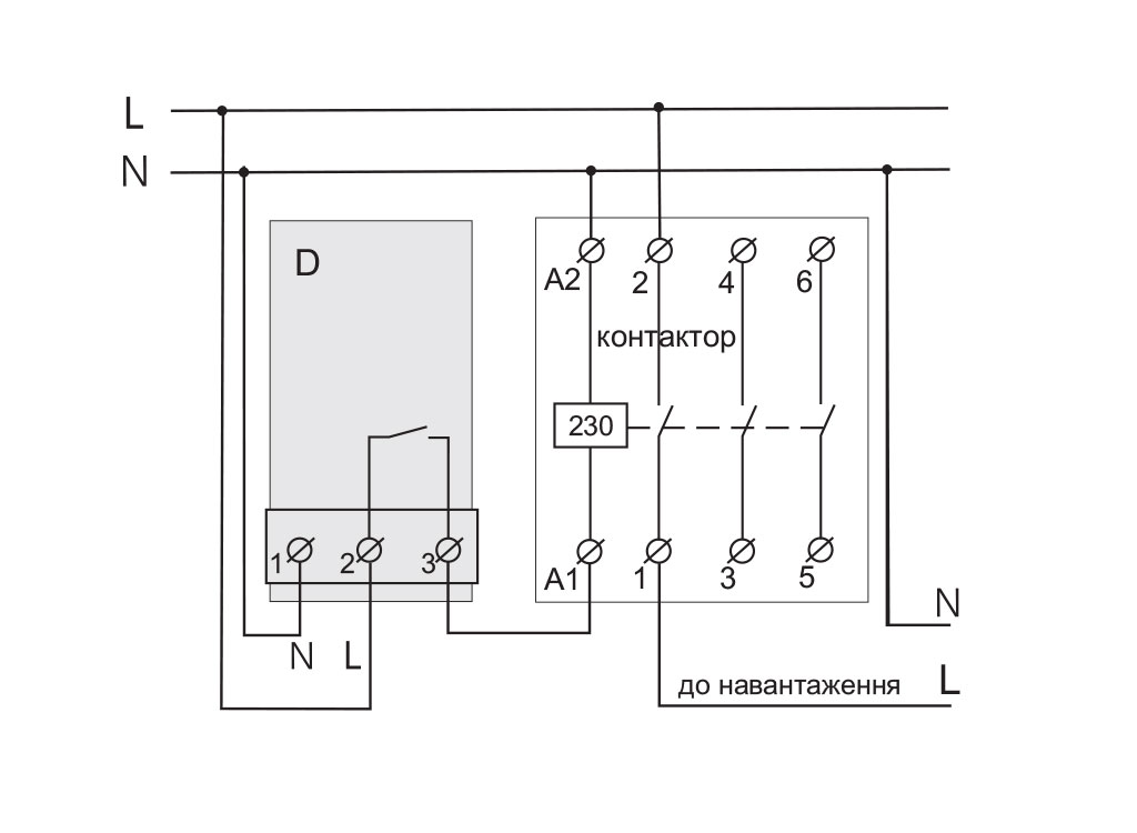
Схема подключения реле напряжения и модульного контактора с обмоткой 230V.

Схема вариант 4
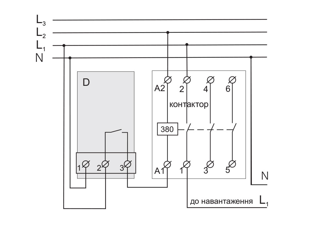
Схема подключение реле напряжения и контактора с обмоткой 380V.

Дополнительные характеристики
- Потребление тока: не более 86 мА
- Сечение провода: не более 16 мм²
- Масса: 0,21 кг ±10%
- Габаритные размеры (Ш х В х Г): 53 х 85 х 70 мм
- Количество коммутаций под нагрузкой, не менее: 100 000 циклов
- Количество коммутаций без нагрузки, не менее: 1 000 000 циклов
- Степень защиты: IP20
Комплектация
- Реле Zubr D25
- Гарантийное свидетельство
- Гарантийный талон
- Технический паспорт
- Инструкция
- Упаковочная коробка
- Предложение: Standart
- Назначение: Бытовое
- Тип товара: Реле
- Номинальный ток, А: 25
- Сеть: 1 фаза
- Номинальный ток коммутации: 25 А
- Основные функции реле: Контроль напряжения
- Контакт: 1НО
- Нижняя граница отключения (Umin), V: 120
- Верхняя граница отключения (Umах), V: 280
- Место установки: В электрощиток
- Номинальное напряжение, В: 420
- Сертификаты: Сертификация CE — европейское соответствие.
Покупатели этого товара также выбирают
- Быстрый просмотр
Розетка 3-я с з/к Schuko RHE-3sd-SR (серая/прозрачная крышка, IP54) ETI Hermetics 4668075
- Степень защиты IP: IP54
- Механизмы розеток: Силовые 220 V~ с крышкой
- Номинальный ток, А: 16
ETI10332 - Хит продажБыстрый просмотр
Автоматический выключатель Schneider Electric Resi9 1P, 16 A, C, 6kA R9F12116
- Тип монтажа: DIN-рейка
- Количество полюсов: 1
- Характеристика отключения: C
- Номинальный ток, А: 16
- Макс. ток КЗ: 6 kA
Schneider Electric8363 - Хит продаж | Скидка до 25%Быстрый просмотр
VZ462 Держатель с клеммами PE/N: 16xN+14xPE / 4xN+4xPE для корпуса Hager VU24UA
- Кол-во модулей: 24
Hager7562 - Хит продажБыстрый просмотр
Автоматический выключатель Schneider Electric Resi9 2P, 25 A, C, 6kA R9F12225
- Тип монтажа: DIN-рейка
- Количество полюсов: 2
- Характеристика отключения: C
- Номинальный ток, А: 25
- Макс. ток КЗ: 6 kA
Schneider Electric8385 - Скидка до 25%Быстрый просмотр
Автоматический выключатель Hager 1-полюсный, 16A, C, 6kA, MCN116
- Тип монтажа: DIN-рейка
- Количество полюсов: 1
- Характеристика отключения: C
- Номинальный ток, А: 16
- Макс. ток КЗ: 6 kA
Hager9512 - Скидка до 25%Быстрый просмотр
Дифреле 2P, 6kA, 25A, 30mA, A, Hager CDA225D
- Тип монтажа: DIN-рейка
- Количество полюсов: 2
- Номинальный ток, А: 25
- Макс. ток КЗ: 6 kA
Hager9608
-
№1. Принцип работы реле напряжения. №2. Правила выбора реле напряжения. №3. Функциональность и настройки реле напряжения. №4. Управление реле напряжения через Wi-Fi. №5. Реле напряжения или стаб...Тематика: Реле
-
Схемы подключения реле напряжения Зубр
№1. Схема подключения реле напряжения Зубр с транзитом нуля и без | 1Ф: 40, 50, 63 А. №2. Схема подключения реле напряжения Зубр 1Ф: 25, 32, 40, 50, 63 А. №3. Подключение реле напряжения Зубр 3Ф: ...Тематика: Реле

