Реле контролю струму 1-фазне з вбуд. амперметром Hager EU103

  • Знижка до 25%
    Реле контролю струму 1-фазне з вбуд. амперметром Hager EU103
    • 6471
    • Офіційний дистриб'ютор. Оптові продажі. Обмін/повернення.
      Співробітництво: Електрики, Дизайнери, Будівельні компанії...!

      Консультації. Підбір аналогів. Прорахунок специфікації.
      Важко вибрати електрику? Напишіть нам – допоможемо!

      Знижки! При замовленні від 1000 грн.
      Замовте на суму понад 1000 грн. і менеджер надасть знижку!

      Оплата. Зручним для Вас способом!
      При отриманні, переказ на картку, безготівка для фіз. та юр. осіб!

      Гарантія. 12 місяців від виробника.
      Надаємо гарантію від виробника на термін 12 місяців!

Докладний опис реле контролю струму Hager EU103

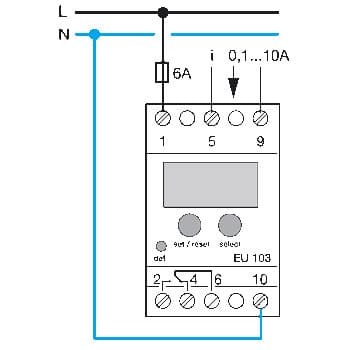
Поточний контроль сили змінного або постійного струму (клеми 5 і 9).
Параметри налаштування дозволяють вибрати:
Режими роботи: контроль підвищення струму, контроль зниження струму, контроль підвищення і зниження струму.
Тип напруги: змінне або постійне.
Режим вимірювання: пряме (до 10А) або через трансформатор.
Діапазон контролю струму.
Час затримки на відключення (t1).
Час затримки на включення (t2).
Режим запам'ятовування аварії.
Поточний контроль включає в себе LCD дисплей на передній панелі для індикації сили струму, дві клавіші управління і LED індикатор аварії.

Автоматичний режим:

При підключенні реле до контрольованої мережі (контакти 5 і 9) на дисплеї висвічується рівень струму. При аварії індикатор блимає час (t1), якщо протягом цього часу значення не повертається встановлені межі, реле перемикає контакт, індикатор горить постійно. Якщо включений режим запам'ятовування аварії, то щоб повернутися в робочий режим необхідно натиснути клавішу.
Для перегляду поточних установок автоматичного режиму необхідно натиснути кнопку “select” і утримувати її протягом 1 секунди. При подальшому натисканні на кнопку “select” можна переглянути режим роботи.

Режим програмування.

Щоб увійти в режим програмування необхідно одночасно натиснути на кнопки “set” і “select” і утримувати їх протягом 3-х секунд. На дисплеї на одну секунду з'явиться напис “prog”, Після цього починається програмування:
За допомогою кнопки “set” прокручуються кроки програми, а кнопкою “select” змінюються параметри.
Програмування послідовності виглядає наступним чином:

  1. Виберіть тип сигналу AC або DC.
  2. Виберіть режим вимірювання прямого або через трансформатор струму.
  3. Виберіть режим контролю:
    підвищення струму (Up), зниження струму (Lo) і контроль підвищення і зниження струму (Up Lо).
  4. Вибір мінімально і максимально допустимих значень:
    максимальне значення для Up або Up Lо
    мінімальне значення для Lo або Up Lо.
  5. Вибір порога включення реле в нормальну роботу (HYS) - мінімум 5% від допустимого значення (цей крок з'являється лише для режимів роботи UP і LO), тобто наприклад: для режиму LO хв. значення напруги виставлено 200 A, а значення відключення аварійного режиму становить 5%, то це означає що при падінні напруги нижче 200 A реле розмикає контакти і відключає споживача, а для включення реле в нормальний режим роботи напрузі необхідно піднятися до значення 200 A + 5 %, тобто 210 A.
  6. Виберіть час t1 затримки вимкнення
  7. Виберіть час t2 затримка включення.
  8. Вибір режим запам'ятовування аварії (YES / NO). Цей режим застосовується для ручного управління, тобто при спрацьовуванні реле, воно переходить в аварійний режим роботи, а вивести з цього режиму реле повинна людина натисканням на кнопку “RESET”, при цьому ручне включення можливо тільки в разі відновлення напруги до нормального. При зберіганні: Yes
    Без зберігання: No.

Технічні параметри

— Напруга живлення: 230 В 50/60 Гц.
— Потужність: 3 ВА.
— Діапазон вимірювання: пряме 0,1 .... 10А., через трансформатор струму: 50/5, 100/5, 150/5, 200/5, 250/5, 300/5, 400/5, 600/5 5 ... 600А.
— Діапазон порога включення реле (HYS)
— Час затримки виключення Час затримки включення t20, 1…20 с.
— Робоча температура: 20° +55° С
— Температура зберігання: -40° +70° С

Магазин електрики - Hager EU103 схема підключення реле струму

Артикул:

  • Виробник: Hager
  • Країна бренду: Німеччина
  • Країна виробництва: Франція
  • Пропозиція: Premium, Professional, Standart
  • Призначення: Побутове
  • Тип товару: Реле
  • Номінальний струм, А: 5
  • Мережа: 1 фаза
  • Основні функції реле: Контроль напруги
  • Місце встановлення: У електрощиток
  • Сертифікати: Сертифікація CE – європейська відповідність.
Задати питання Написати відгук

Переглянуті товари: