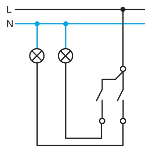
Схема подвійний вимикач
Двухклавішний вимикач схема для керування двома групами освітлення
Обов'язкове правило: При підключенні вимикачів фазний провід завжди підключається через вимикач, а нульовий провідник підключаєтьс...
Тематика: Розетки та вимикачі


