Терморегулятор цифровий багатофункціональний «Hager» EK530
-
Знижка до 25%-20%
-
-
6467
Офіційний дистриб'ютор. Оптові продажі. Обмін/повернення.
Співробітництво: Електрики, Дизайнери, Будівельні компанії...!Консультації. Підбір аналогів. Прорахунок специфікації.
Важко вибрати електрику? Напишіть нам – допоможемо!Знижки! При замовленні від 1000 грн.
Замовте на суму понад 1000 грн. і менеджер надасть знижку!Оплата. Зручним для Вас способом!
При отриманні, переказ на картку, безготівка для фіз. та юр. осіб!Гарантія. 12 місяців від виробника.
Надаємо гарантію від виробника на термін 12 місяців!
-
Докладний опис терморегулятора Hager EK530
Програмований терморегулятор, спеціально розроблений, щоб забезпечити комфорт і економію теплової енергії.
Дозволяє програмувати і регулювати систему опалення відповідно до заданих налаштувань.
— 4 рівня температури.
— 3 попередньо програми + 1 ECO режим. + Спеціальні параметри.
— Режим відпустки.
— Опалення/клімат контроль.
— Режим відсутності: (антизамерзання).
— Тип датчика: вбудований (цифровий) з можливістю підключення виносного датчика.
— Тип дисплея: LCD.
— Живлення: 230V ~.
— Температурний діапазон: від 5 до 30°C. Підходить для управління роботи котла.
Розміри
— Глибина встановленого виробу: 30 mm
— Висота встановленого виробу: 138 mm
— Довжина: 97 mm
— Ширина встановленого виробу: 30 mm
Програмування термостата:
Дозволяє програмувати і регулювати систему опалення відповідно до 4-х заданих налаштувань температурних режимів:
- Комфорт-1. Задається необхідна температура, в період вашої присутності.
- Комфорт-2. Задається другий варіант температури, в період вашої присутності.
- Скорочений режим. Задається під час своєї непостійної присутності або ж нічний режим.
- Холодний режим. Задається температурний режим для тривалої відсутності. Такий режим захищає ваш будинок від промерзання.
Після програмування терморегулятора ці чотири налаштування, зроблені вами, зберігаються, як «автоматичні».
Установка термостата
Для правильної роботи терморегулятора Hager, необхідно дотримуватися рекомендацій:
Термостат повинен бути встановлений, щонайменше 1,3 метра над підлогою на внутрішньої сторони стіни, далеко від прямих сонячних променів і від усіх джерел тепла, таких як: телевізор, освітлювальні лампи, обігрівачі, каміни і т.д.
Якщо в приміщенні є повітряні потоки з контрастною температурою, то терморегулятор не повинен потрапляти в зону цих потоків.
Кнопки управління термостатом

- Контекстна клавіша для доступу до «МЕНЮ».
- Контекстна клавіша для виклику режиму «СВЯТА».
- Контекстна клавіша для доступу до тимчасових налаштувань.
- Клавіша підтверджує запис команди «ОК».
- Клавіші регулювання «+» і «–».
Важливі індикатори терморегулятора

6. Індикатор по днях тижня.
7. Автоматичний режим / ручний режим
(термостат без програми).
8. Налаштування температури.
9. У режимі очікування.
10. Селектор опалення / кондиціонера.
11. Програмування / вибір програми.
12. Час і дата коригування.
13. Регулювання налаштувань.
14. Температура навколишнього середовища.
15. Індикатор опалення або кондиціонування повітря.
16. Поточний режим (опалення або кондиціонер).
17. Поточне налаштування (☼, ☼2, ☾, ❄).
18. Температура поточного Налаштування.
19. Телефонний пульт дистанційного керування.
20. Профіль сьогоднішньої програми.
21. Поточний час.
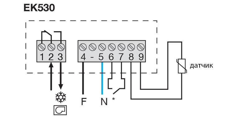
Схема підключення терморегулятора Hager

Схема підключення термостата до газового котла

Габаритні розміри терморегулятора

Програмовані термостати для більшої економії і більшої ефективності

Артикул: EK530
- Виробник: Hager
- Країна бренду: Німеччина
- Країна виробництва: Франція
- Пропозиція: Premium, Professional
- Особливості: Підключення дод. термодатчика
- Призначення: Для кондиціонера, Для котла, Для обігрівача
- Тип: Електронний
- Тип товару: Терморегулятор
- Монтаж: Накладний монтаж
- Опціонально: Програмований
- Датчик температури: Вбудований