Выключатель дифференциального тока Schneider Electric Resi9 2P, 40A/0,1 AC R9R52240
-
-
8608
Расчёт сметы под ключ
Быстро считаем по фото или проекту в Viber / Telegram. Подбираем оптимальные аналоги без потери качества.Оптовая цена с первого заказа
Партнёрские условия сразу для прорабов, электриков, дизайнеров и монтажников.Возврат остатков без проблем
Принимаем излишки после завершения объекта. Возврат или обмен возможен в течение 14 дней с даты отгрузки товара.НДС и полный пакет документов
Работаем с любой формой оплаты. Полный пакет документов для бухгалтерского учета.Официальная гарантия
Только сертифицированная продукция с заводской гарантией для сдачи объектов.
-
Выключатель дифференциального тока Schneider Electric Resi9 (дифреле, УЗО) R9R52240 предназначено для защиты от поражения электрическим током при косвенном прикосновении.
Установка УЗО Resi9 R9R52240 – предназначена на всех цепей с системой заземления ТТ.
Основные параметры реле
- Тип сети: однофазная.
- Рабочее напряжение: 230V~
- Количество места занимаемого на дин-рейке: 2 модуля.
- Номинальный ток: 40 А.
- Тип чувствительности: АС (Переменный ток).
- Чувствительность к току утечки: 100 мА
Дифференциальное реле R9R52240 относится к типу устройств с типом чувствительности АС (реле чувствительно к переменному току).
Данное трехфазное УЗО (реле) направленно на обеспечение защиты от поражения электрическим током при косвенном контакте (≤ 100 мА).
Подключение устройства
Подключение к реле Resi9 R9R52240 возможно как сверху, так и снизу.
К подключению подойдут медные кабели с монолитной жилой или же гибкие с наконечниками.
Для фиксации проводника используется шлицевая или крестовая отвертка PZ2, а момент затяжки равен 3,5 Н·м.
Дополнительные параметры реле Шнайдер Электрик R9R52240
- Рабочее напряжение: 220-230V~ 50 Гц
- Номинальное импульсное выдерживаемое напряжение (Uimp): 4 кВ.
- Соответствие: ГОСТ Р 51326.1-2010, ГОСТ Р 51326.2.2-99, ГОСТ 31216-2003
- Номинальный условный ток короткого замыкания (Inc/IDc): равен отключающей способности автоматического выключателя..
- Износостойкость (кол-во циклов В-О): Механическая 20000 циклов / Электрическая 10000 циклов.
- Содержание вредных веществ: В соответствии с RoHS
- Тропическое исполнение (МЭК 60068-1): Степень 2 (относительная влажность 95 % при 55 °C)
- Ток включения и отключения (Im/IDm): 500А
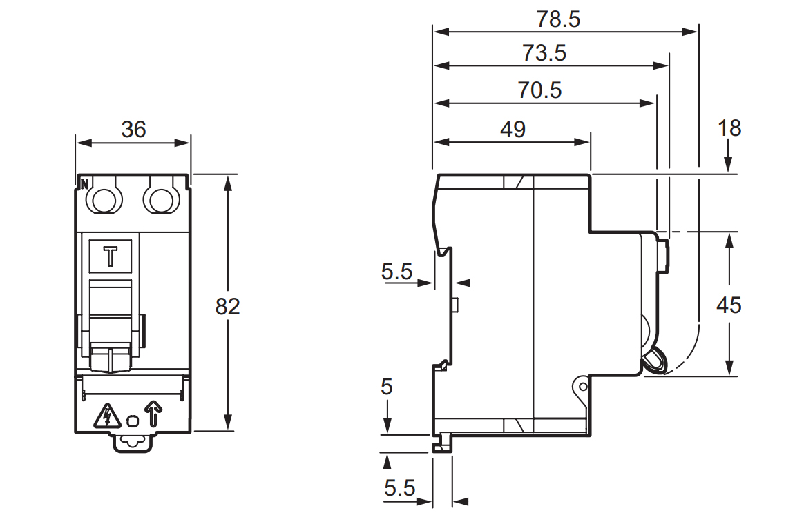
Габаритные размеры УЗО Schneider Electric Resi9 2P

- Серия: Resi9
- Тип монтажа: DIN-рейка
- Предложение: Standart
- Тип защиты: Дифреле
- Тип устройства: Дифреле
- Количество полюсов: 2
- Тип товара: Дифреле
- Подключение: 2P (1 фаза + N)
- Номинальный ток, А: 40
- Размер на din-рейке: 2 модуля
- Тип чувствительности УЗО: AC
- Ток утечки: 100 mA
- Типоразмер: Модульный
- Напряжение сети: AC (переменный ток)
- Рабочее напряжение, V: 230
- Возможность использования соединительной шины: Да
- Тип совместимой соединительной шины: PIN (штырь)
- Принцип работы реле: Электромеханический
- Сертификаты: Сертификация CE — европейское соответствие.

