Описание и характеристики реле напряжения D2-63
Однофазное реле напряжения в компактном корпусе с термозащитой
Реле напряжения ZUBR D2 предназначены для защиты оборудования от чрезмерных колебаний напряжения. При наступлении аварийной ситуации устройство отключает нагрузку. Реле применяются в однофазных сетях переменного тока (230 В). Дополнительно оснащено термозащитой.
— Термозащита и корпус из негорючего поликарбоната;
— Точное измерение напряжения благодаря алгоритму True RMS;
— Профессиональная модель задержки времени выключения;
— Два типа времени задержки включения нагрузки после аварийного срабатывания;
— Журнал аварийных ситуаций (запоминает до 100 значений);
— Расшифровка аббревиатур названий пунктов меню;
Технические характеристики реле ZUBR D2
— Ток, А: 63
— Способ монтажа: На DIN-рейку
— Количество фаз: 1 ф. (230 Вольт)
— Термозащита: Есть
— TrueRMS: Есть
— Проф. задержка отключения: Есть
— Нижний предел напряжения: 120-210 В
— Верхний предел напряжения: 220-280 В
— Номинальная мощность нагрузки: 13 900 ВА
— Время отключения нагрузки при снижении напряжения: 0,1-10,0 с (>120 В), не более 0,04 с (<120В)
— Время отключения нагрузки при превышении напряжения: не более 0,04 с
— Номинальный ток нагрузки: 63 А (макс. 80 А в течение 10 мин.)
— Время задержки включения нагрузки: 3-600 с
— Тип реле: Поляризованное
— Напряжение питания: 100-420 В
— Потребление тока: не более 2,8 мА
— Сечение провода: не более 16 мм²
— Масса: 0,17 кг
— Габаритные размеры (Ш х В х Г): 36 х 85 х 66 мм
— Количество комбинаций под нагрузкой, не менее: 10 000 циклов
— Количество комбинаций без нагрузки, не менее: 500 000 циклов
— Степень защиты по ГОСТ 14254: IP20
— Комплектация: реле, гарантийное свидетельство, гарантийный талон, технический паспорт, инструкция, упаковочная коробка
Управление

Высокая точность измерения TrueRMS
ZUBR D2 с высокой точностью измеряет напряжение и выключает нагрузку до того, как скачок напряжения негативно повлияет на подключенные электроприборы. Принцип действия TrueRMS — алгоритм снижает влияние сетевых помех на точность измерения напряжения, когда форма напряжения отличается от синусоиды.
Профессиональная модель выключения нагрузки
Вы можете активировать профессиональную модель задержки времени выключения. Она позволяет не отключать оборудование при безопасных по величине и длительности отклонениях напряжения.
Повышенная безопасность благодаря термозащите
Реле напряжения ZUBR D2 оснащены защитой от перегрева. Она активируется, если температура внутри корпуса достигнет 80 °С.
Задержка включения нагрузки
В устройстве предусмотрено 2 типа включения задержки нагрузки:
— когда отсчет времени до подачи нагрузки отсчитывается с момента стабилизации напряжения;
— когда отсчет начинается с момента отключения реле.
Время задержки можно установить от 3 до 600 с, в зависимости от типа подключенного оборудования. Для чувствительного к частым отключениям напряжения оборудования (например, для холодильников и кондиционеров) время задержки рекомендуется устанавливать на 120-180 сек.
Журнал аварийных срабатываний
Журнал способен хранить в энергонезависимой памяти 100 последних аварийных срабатываний (например, напряжение при отключении реле или срабатывание термозащиты).
Удобство в управлении
У ZUBR D2 очень удобное стандартизированное подключение вход-выход, отсутствует необходимость использования нулевой клеммы при подключении. Настройка работы устройства осуществляется с помощью всего лишь трех кнопок. Четверная кнопка "i" предназначена для просмотра журнала аварийных срабатываний и расшифровки аббревиатур пунктов меню. Цифровой экран постоянно отображает значение напряжения, а также выводит системную информацию. Доступна возможность настройки яркости экрана и индикатора в режиме ожидания.
Простая установка
Реле напряжения ZUBR D2 очень компактный, занимает 2 стандартных модуля в распределительном щите. Его монтаж происходит в распределительный щиток на стандартную DIN-рейку шириной 35 мм. Если в помещении повышенная влажность или существует вероятность попадания воды на устройство, тогда щиток должен отвечать классу защиты IP55 (согласно ГОСТ 14254).
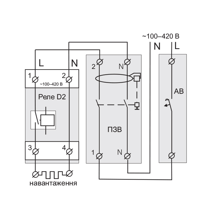
Схема подключения реле Zubr D2 к сети

Схема подключения реле Zubr D2 к сети с автоматическим выключателем и УЗО
