Реле контроля напряжения Hager EU302 3-фазное , режим памяти аварии, задержка отключения

  • Скидка до 25%
    Реле контроля напряжения Hager EU302 3-фазное , режим памяти аварии, задержка отключения
    • 6474
    • Официальный дистрибьютор. Оптовые продажи. Обмен/возврат.
      Сотрудничество: Электрики, Дизайнеры, Строительные компании...!

      Консультации. Подбор аналогов. Просчет спецификации.
      Трудно выбрать электрику? Напишите нам — поможем!

      Скидки! При заказе от 1000 грн.
      Закажите на сумму свыше 1000 грн., и менеджер предоставит скидку!

      Оплата. Удобным для Вас способом!
      При получении, перевод на карту, безнал для физ. и юр. лиц!

      Гарантия. 12 месяцев от производителя.
      Предоставляем гарантию от производителя на срок 12 месяцев!

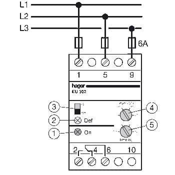
Контроль понижения/повышения напряжения
Значение предельного превышения и понижения напряжения устанавливается в % от номинального напряжения от 5 до 20 %(регулятор 4), например установленное значение 10% - реле будет срабатывать при V=360 B., при понижении напряжения и при V=440 В., при повышении напряжения.
Время задержки реакции на аварию может быть установлено от 0,1 до 12 сек.(регулятор 5)
Режим памяти аварии - при выходе значения напряжения за пределы установленных реле, необходимо ручное включение прибора в рабочий режим(Этим режимом управляет переключатель 3).Для сброса ошибки необходимо переключатель 3 перевести в состояние ОFF, а затем вернуть в состояние ON.
При падении или возрастании напряжения сети выше указанного уровня, начнет мигать индикатор аварийного состояния, реле отключит потребителя от сети через время указанное на регуляторе 5 и индикатор аварийного состояния будет гореть постоянно, если напряжение вернется в установленные границы реле автоматически включит потребителя в сеть.
Примечание:
При подключении реле к сети начнет мигать индикатор аварийного состояния, так как реле воспринимает подключение к сети как скачок напряжения и размыкает контакты (6 и 2) на время задержки. По истечении времени задержки реле перейдет в нормальное состояние.
Технические данные:
Номинальное напряжения Vn ~400 В 50/60 Гц
Потребляемая мощность 3 ВА
Рабочая температура -20 +55 °С
Степень защиты: IP20
Мощность контактов: 8 А ~250 В

Магазин розеток - Hager EU302 схема подключения реле контроля

  • Производитель: Hager
  • Страна бренда: Германия
  • Страна производства: Франция
  • Предложение: Premium, Professional, Standart
  • Назначение: Бытовое
  • Тип товара: Реле
  • Номинальный ток, А: 5
  • Сеть: 3 фазы
  • Основные функции реле: Контроль напряжения
  • Место установки: В электрощиток
  • Сертификаты: Сертификация CE — европейское соответствие.
Задать вопрос Написать отзыв

Просмотренные товары