Реле контроля напряжения Hager 1-фазное EU100

  • Скидка до 25%
    Реле контроля напряжения Hager 1-фазное EU100
    • 6476
    • Официальный дистрибьютор. Оптовые продажи. Обмен/возврат.
      Сотрудничество: Электрики, Дизайнеры, Строительные компании...!

      Консультации. Подбор аналогов. Просчет спецификации.
      Трудно выбрать электрику? Напишите нам — поможем!

      Скидки! При заказе от 1000 грн.
      Закажите на сумму свыше 1000 грн., и менеджер предоставит скидку!

      Оплата. Удобным для Вас способом!
      При получении, перевод на карту, безнал для физ. и юр. лиц!

      Гарантия. 12 месяцев от производителя.
      Предоставляем гарантию от производителя на срок 12 месяцев!

Реле контроля напряжения Hager 1-фазное, Vmin=0.75Vn, Vmax=1,2Vn
Реле контроля предназначено для контроля напряжения в сетях, где наблюдаются колебания напряжения, что может привести к отказу оборудования и приборов.
Umin = 0,75 Un, Umax = 1,2 Un (эти значения не изменяются)
Время реакции на аварию - 200ms
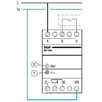
Время переключения контактов в номинальный режим(повторное включение после аварии) через 5 или 10 мин. по выбору(при установленной перемычке между контактами 5 и 9 см. рисунок t=5 мин, без перемычки t=10 мин.)
Все реле контроля изготовляются с одним переключаемым контактом (250 В, 8 А) для сообщения об аварии.
Диоды LED: ON - работа, Def - авария

Магазин розеток - Hager схема реле контроля напряжения

При падении или возрастании напряжения сети выше указанного уровня, реле отключит потребителя от сети на время, указанное переключателем задержки времени, 5 или 10 минут, и начнет мигать индикатор аварийного состояния. По истечении времени задержки реле проверит уровень напряжения и, если напряжение будет соответствовать норме, замкнет контакты (6 и 2). Если по истечении времени задержки напряжение не соответствует норме,индикатор аварийного состояния начнет постоянно светиться. При восстановлении напряжения реле автоматически замкнёт контакты (6 и 2).
Примечание:

При подключении реле к сети начнет мигать индикатор аварийного состояния, так как реле воспринимает подключение к сети как скачок напряжения и размыкает контакты (6 и 2) на время задержки. По истечении времени задержки реле перейдет в нормальное состояние.
Технические данные:
Напряжение питания: ~230 В 50/60 Гц
Потребляемая мощность: 3 ВА
Рабочая температура: -20 +55 °С
Степень защиты: IP20
Мощность контактов: 8 А ~250 В
  • Производитель: Hager
  • Страна бренда: Германия
  • Страна производства: Франция
  • Предложение: Premium, Professional, Standart
  • Назначение: Бытовое
  • Тип товара: Реле
  • Номинальный ток, А: 5
  • Сеть: 1 фаза
  • Основные функции реле: Контроль напряжения
  • Место установки: В электрощиток
  • Сертификаты: Сертификация CE — европейское соответствие.
Задать вопрос Написать отзыв

Просмотренные товары