Реле контроля минимального напряжения 1P+N / 3P+N, 2ПК, Hager EUU200
-
-20%
-
-
9647
Расчёт сметы под ключ
Быстро считаем по фото или проекту в Viber / Telegram. Подбираем оптимальные аналоги без потери качества.Оптовая цена с первого заказа
Партнёрские условия сразу для прорабов, электриков, дизайнеров и монтажников.Возврат остатков без проблем
Принимаем излишки после завершения объекта. Возврат или обмен возможен в течение 14 дней с даты отгрузки товара.НДС и полный пакет документов
Работаем с любой формой оплаты. Полный пакет документов для бухгалтерского учета.Официальная гарантия
Только сертифицированная продукция с заводской гарантией для сдачи объектов.
-
Реле Hager контролирует переменное напряжение в 1- или 3-фазных сетях (каждая фаза относительно нейтрального проводника) при пониженном напряжении.
— Реле имеет фиксированную настройку порога пониженного напряжения Us и фиксированный гистерезис H.
— Напряжение питания: 3(N)~ 400/230В
— Номинальное напряжение (Un): 230V~
— Номинальная частота переменного тока: 50...60 Гц.
— Контакт: 2ПК
— Коммутационная способность контакта: 1250 VA (5 A / 250 V ~).
— Порог переключения (Us): 195 V~
Назначение реле Hager
Контроль минимального напряжения в 3-х и 1-фазной сети с фиксированными пороговыми значениями.
Контакт реле переключается при значении напряжения 0,85% от номинального (Us=Un x 0.85).
Артикул товара: EUU200
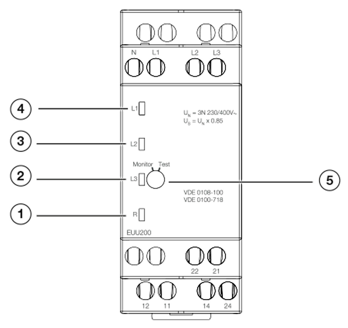
Индикация и управление реле
- Контрольный индикатор состояния выходного реле (R).
- Контрольный индикатор напряжения питания L1-N.
- Контрольный индикатор напряжения питания L2-N.
- Контрольный индикатор напряжения питания L3-N.
- Функция тестирования.

Схема подключения к 1 фазе

Схема подключения к 3 фазам

- Предложение: Premium, Professional
- Особенности: Модульный
- Назначение: Бытовое, Промышленное, Для двигателя
- Тип устройства: Реле защиты напряжения
- Сеть: 1 фаза, 3 фазы
- Ток катушки управления: AC (переменный ток)
- Положение контактов: 2 ПК
- Оборудование: Реле контроля напряжения
- Номинальный ток коммутации: 5 А
- Функциональность: Контроль напряжения
- Резервное питание: Нет
- Основные функции реле: Контроль минимального напряжения
- Доп. контакты: Нет
- Контакт: 2ПК
- Напряжение катушки управления (AC): 230V (AC)
- Нижняя граница отключения (Umin), V: 195
- Место установки: В электрощиток
- Номинальное напряжение, В: 230
- Сертификаты: Сертификация CE — европейское соответствие.




