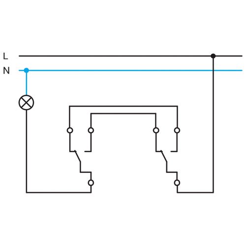
Схема проходного выключателя с двух мест
Схема проходного выключателя с двух мест - это современное решение для тех, кто стремится к максимальному уровню комфорта и эффективности в использовании электроосвещения. В лестничных пролетах, д...
Тематика: Розетки и выключатели



