Подробное описание механизма in'Matic 752001
– Механизм одноклавишного выключателя in'Matic.
– Используется с лицевыми панелями и рамками Valena Life и Valena Allure
(приобретаются отдельно).
– В комплекте поставляется суппорт для монтажа и прозрачная крышка для защиты от загрязнений при отделочных работах.
– Дополнительно возможна подсветка (лампа 067684) и индикация (лампа 665091).
Технические параметры:
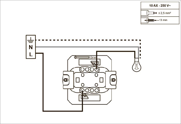
– Схема: включение / отключение одного источника света с одного места.
– Установка: внутренняя (в монтажную коробку).
– Номинальное напряжение: 250V~
– Номинальная нагрузка: 10AX
– Клеммы: безвинтовые зажимы (самозажим).
Схема подключения механизма выключателя 752001

Подключение с лампой подсветки 067684

Подключение с лампой индикации 665091

Артикул товара: 752001