Контактор 3-полюсный - «EasyPact» 18 А, 230V~ Schneider Electric LC1E1810M5
-
-
7697
Расчёт сметы под ключ
Быстро считаем по фото или проекту в Viber / Telegram. Подбираем оптимальные аналоги без потери качества.Оптовая цена с первого заказа
Партнёрские условия сразу для прорабов, электриков, дизайнеров и монтажников.Возврат остатков без проблем
Принимаем излишки после завершения объекта. Возврат или обмен возможен в течение 14 дней с даты отгрузки товара.НДС и полный пакет документов
Работаем с любой формой оплаты. Полный пакет документов для бухгалтерского учета.Официальная гарантия
Только сертифицированная продукция с заводской гарантией для сдачи объектов.
-
Контактор LC1E1810M5 1НО 18А 400В AC3 220В/50Гц разработан на базе знаменитых европейских пускателей серии TeSys D и является их упрощенной модификацией.
Основные показатели:
— Номинальная коммутируемая мощность: 18 Ампер.— Количество и положение контактов: 3 Открытых в нормальном положении (3Н.O).
— Управление (катушкой): 230 V~ (AC)
Дополнительно:
— 1 Контакт (нормально открытый).Применяются для управления:
- всеми типами двигателей при нормальном или интенсивном режиме работы.
- резистивными, индуктивными и емкостными цепями при нагреве, освещении, коррекции коэффициента мощности, в трансформаторах, при нормальном режиме работы или режиме ожидания.
Маркировка пускателей серии LC1 E

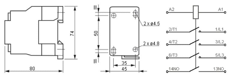
Установочные размеры и принципиальная электрическая схема

- Производитель: Schneider Electric
- Страна бренда: Франция
- Страна производства: Китай
- Серия: EasyPact
- Предложение: Ekonom
- Тип товара: Контактор
- Номинальный ток, А: 18
- Ток катушки управления: AC (переменный ток)
- Положение контактов: 3 Н.О
- Номинальный ток коммутации: 16 А
- Тип контактора: силовой
- Доп. контакты: 1 Н.О
- Сертификаты: Сертификация CE — европейское соответствие.

