Электромеханическое реле времени APC-D1 (суточное) ETI 2472001
-
-
9719
Расчёт сметы под ключ
Быстро считаем по фото или проекту в Viber / Telegram. Подбираем оптимальные аналоги без потери качества.Оптовая цена с первого заказа
Партнёрские условия сразу для прорабов, электриков, дизайнеров и монтажников.Возврат остатков без проблем
Принимаем излишки после завершения объекта. Возврат или обмен возможен в течение 14 дней с даты отгрузки товара.НДС и полный пакет документов
Работаем с любой формой оплаты. Полный пакет документов для бухгалтерского учета.Официальная гарантия
Только сертифицированная продукция с заводской гарантией для сдачи объектов.
-
Электромеханические реле времени APC-D1 – применяются для управления любой (подходящей по мощности) нагрузкой - электроприборами, освещением, вентиляцией, приборами контроля климата и т.д. Тип: аналоговый суточный таймер.
Особенности:
- Суточное электромеханическое реле
- min. интервал коммутации - 15мин
- Без резерва хода
Технические характеристики:
- Напряжение питания: 230 V AC
- Резерв хода: нет
- Аккумулятор**/ возможность замены: нет
- Номинальный ток (контакт): 1NO - 16A/AC 1
- Полный ход диска: (96 пин) 24 часа
- Минимальный интервал времени: (1пин) 15 мин
- Точность хода: ±1 с/день при +220 C
- Потери мощности: ≤ 0,5W
- Рабочий диапазон температур: -10...+50oC
- Степень защиты: IP 20
- Соответствие стандартам: EN 60730-2-7
Важно!
Реле оборудовано специальной защитой от вредных факторов. Однако влияние сильного электромагнитного поля может вызвать нарушения в его работе:
– Устройство нельзя монтировать вблизи индуктивных устройств (электродвигатели, трансформаторы, контакторы и т.д.).
– Рекомендуется использовать отдельную линию питания (если это необходимо, оборудовать ее сетевым фильтром, а также варисторами, RC фильтрами).
Настройка реле

Описание переключателя AUTO-ON-OFF:
AUTO – работа в соответствии с программой.
ON - контакты постоянно закрыты.
OFF – контакты постоянно разомкнуты.
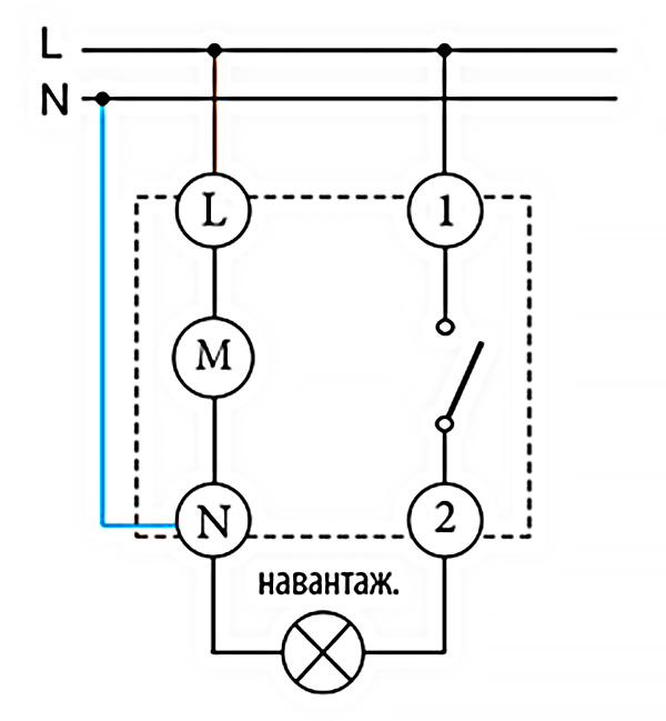
Схема подключения

Габаритные размеры

- Предложение: Standart, Professional
- Особенности: Аналоговое
- Тип: Реле времени
- Тип реле: Таймер аналоговый
- Ток катушки управления: AC (переменный ток)
- Положение контактов: 1 Н.О
- Оборудование: Реле, Реле времени, Таймер
- Номинальный ток коммутации: 16 А
- Функциональность: Суточная программа
- Резервное питание: Нет
- Доп. контакты: Нет
- Напряжение катушки управления (AC): 230V (AC)
- Место установки: DIN-рейка
- Сертификаты: Сертификация CE — европейское соответствие.
-
Как пользоваться розеткой с механическим и электронным таймером? Установка умных розеток, повальная автоматизация и использование различных гаджетов для управления электрическими приборами — вс...Тематика: Розетки и выключатели

