Реле дифференциальное (УЗО) EFI-2 63/0,3 тип AC (10kA)
-
-
10269
Расчёт сметы под ключ
Быстро считаем по фото или проекту в Viber / Telegram. Подбираем оптимальные аналоги без потери качества.Оптовая цена с первого заказа
Партнёрские условия сразу для прорабов, электриков, дизайнеров и монтажников.Возврат остатков без проблем
Принимаем излишки после завершения объекта. Возврат или обмен возможен в течение 14 дней с даты отгрузки товара.НДС и полный пакет документов
Работаем с любой формой оплаты. Полный пакет документов для бухгалтерского учета.Официальная гарантия
Только сертифицированная продукция с заводской гарантией для сдачи объектов.
-
Основные показатели
Тип УЗО: АС (чувствителен к переменному (синусоидальному) току утечки.Сеть: однофазная.
Количество полюсов: 2.
Номинальный ток, А: 63.
Ток утечки: 300mA.
Особенности устройств EFI
Возможность подключения шины питания.
– Подключение питания как сверху, так и снизу.
– Широкий диапазон номинальных токов.
– Легкий монтаж блока контактов.
– Наличие дугогасительной камеры на каждой контактной группе.
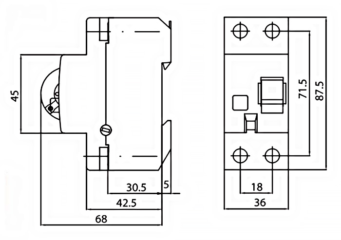
Размеры ETI EFI–2

Схема дифреле ETI EFI–2

Дополнительная информация
- Нанесенная маркировка изделия информирует о всех основных характеристиках устройства защитного отключения.
- Индикация состояния силовых контактов, индикация включения «ON/OFF».
- Изолированные клеммы (защита от случайного прикосновения к токоведущим частям).
- Возможность подвода питания как сверху, так и снизу.
- Возможность монтажа дополнительных аксессуаров (блока контактов, а также независимого расцепителя).
- Надежное крепление металлическим фиксатором на шину ТН 35.
- Кнопка «ТЕСТ» для контроля работоспособности механизма расцепителя.
- На корпус каждого изделия нанесена информация о параметрах подключаемых проводников.
- Дугогасительная камера в каждом полюсе, силовые контакты имеют серебряные напайки.
- УЗО EFI имеют возможность пломбировки с помощью пломбировочных панелей. Кроме этого, корпус дифреле имеет механическую защиту от несанкционированного разбора устройства.
Артикул производителя: 2064124
- Серия: EFI
- Предложение: Standart
- Особенности: Возможность работы при низких температурах.
- Тип устройства: Дифреле
- Количество полюсов: 2
- Тип товара: Дифреле
- Подключение: 2P (1 фаза + N)
- Номинальный ток, А: 63
- Размер на din-рейке: 2 модуля
- Тип чувствительности УЗО: «AC»
- Ток утечки: 300 mA
- Максимальный ток короткого замыкания: 10 kA
- Возможность использования соединительной шины: Да
- Расцепитель: Электромагнитный
- Возможность монтажа дополнительных принадлежностей: Да
- Исполнение: Модульный
- Место установки: DIN-рейка
- Сертификаты: Сертификация CE — европейское соответствие., Сертификация VDE, Сертификация CEBEC, Сертификация NF, Сертификация Kema-Keur, Сертификация РСВС — Польша

