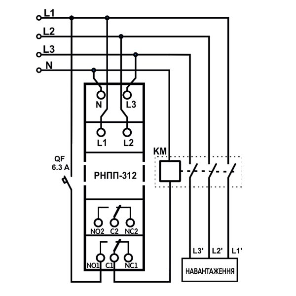
Реле напруги, перекосу та послідовності фаз РНПП-312 Novatek (Новатек) NTRNP3120
-
-
12537
Розрахунок кошторису під ключ
Швидко рахуємо за фото або проєктом у Viber / Telegram. Підбираємо оптимальні аналоги без втрати якості.Оптова ціна з першого замовлення
Партнерські умови одразу для виконробів, електриків, дизайнерів та монтажників..Повернення залишків без проблем
Приймаємо надлишки після завершення об'єкта. Повернення або обмін можливе протягом 14 днів з дати відвантаження товару.ПДВ та повний пакет документів
Працюємо з будь-якою формою оплати. Повний пакет документів для бухгалтерського обліку.Офіційна гарантія
Тільки сертифікована продукція із заводською гарантією для здавання об'єктів.
-
- Пропозиція: Premium
- Особливості: Побутове, Для двигуна, Захист напруги, Контроль наявності фаз, Контроль напруги, Контроль обриву фаз, Контроль перекосу фаз, Контроль послідовності фаз, Контроль злипання фаз, Контроль чергування фаз, Модульний, Промислове
- Призначення: Побутове, Промислове, Для двигуна
- Тип пристрою: Реле контролю напруги, Реле контролю фаз
- Конфігурація полюсів: 3+N
- Тип: Реле, Реле захисту двигуна, Реле захисту напруги, Реле контролю напруги, Реле напруги
- Номінальний струм, А: 5
- Мережа: 3 фази
- Функціональність: Контроль наявності фаз, Контроль послідовності фаз, Контроль перекосу фаз, Контроль чергування фаз, Контроль злипання фаз, Контроль залипання фаз
- Основні функції реле: Релейна (перемикання), Контроль напруги, Затримка спрацьовування, Контроль обриву фаз
- Типорозмір: Модульний на din-рейку
- Контакт: 2ПК
- Нижня межа відключення (Umin), V: 95
- Верхня межа відключення (Umах), V: 450
- Номінальна напруга, В: 400
- Місце встановлення / підключення: DIN-рейка
- Номінальна напруга, V: 400



